qki-ica100
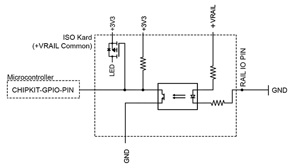
This Kard is designed to allow isolated (ground triggered) inputs to the processor when the rail is 3-30 volts.
Kard GPIO Pin to Rail Pin Map
| Kard GPIO Pin | Rail Pin |
|---|---|
| gpio 0 | CxP0 |
| gpio 1 | CxP1 |
| gpio 2 | CxP2 |
| gpio 3 | CxP3 |
| gpio 4 | unmapped |
qki-ica100.txt · Last modified: 2019/08/17 15:04 by 127.0.0.1



