qki-fdp100
                Table of Contents
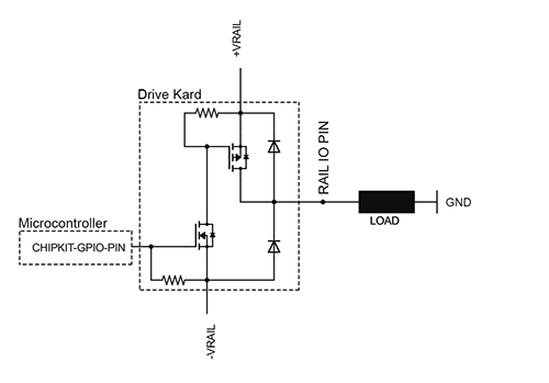
Drive Kard - FET Driver (P-Channel)
The (source) Drive Kard has 4 FET drivers to allow control of the four rail pins for the slot into which it is inserted. Each output can safely drive 750mA of current (maximum of 6A per RAIL). The Vds max for each pin > 24VDC.
Layout
Kard GPIO Pin to Rail Pin Map
| Kard GPIO Pin | Rail Pin | Kard 0 Pin | Kard 1 Pin | Kard 2 Pin | Kard 3 Pin | Kard 4 Pin | Kard 5 Pin | 
|---|---|---|---|---|---|---|---|
| gpio 0 | CxP0 | 68 | 57 | 86 | 22 | 23 | 78 | 
| gpio 1 | CxP1 | 58 | 56 | 64 | 76 | 39 | 79 | 
| gpio 2 | CxP2 | 62 | 63 | 5 | 9 | 8 | 10 | 
| gpio 3 | CxP3 | 55 | 54 | 70 | 2 | 21 | 20 | 
| gpio 4 | unmapped | 82 | 83 | 84 | 35 | 34 | 33 | 
qki-fdp100.txt · Last modified: 2019/08/17 15:04 by 127.0.0.1
                
                


